聯系人:王經理
銷售電話:15610293837
銷售QQ:2962700085
公司地址:山東省濰坊高新區新城街道玉清社區光電路155號濰坊高新區光電產業加速器(一期)1號樓301

PRODUCT CENTER
聯系人:王經理
銷售電話:15610293837
銷售QQ:2962700085
公司地址:山東省濰坊高新區新城街道玉清社區光電路155號濰坊高新區光電產業加速器(一期)1號樓301
不銹鋼氣象儀又稱金屬款氣象儀,金屬款六要素氣象傳感器 ,不銹鋼氣象儀能夠監測環境溫度、相對濕度、風速、風向、大氣壓力、壓電雨量等六項氣象要素,通體采用不銹鋼材質設計,抗腐蝕性高可用于航洋領域
一、不銹鋼氣象儀產品簡介
不銹鋼氣象儀又稱金屬款氣象儀,金屬款六要素氣象傳感器 ,不銹鋼氣象儀能夠監測環境溫度、相對濕度、風速、風向、大氣壓力、壓電雨量等六項氣象要素,通體采用不銹鋼材質設計,抗腐蝕性高可用于航洋領域
山東萬象環境科技有限公司作為專業研發生產銷售微型氣象儀的企業,一直致力于微型氣象儀和氣象環境解決方案推廣應用。具有完整的生產鏈、實力雄厚的技術團隊和全面的營銷團隊,我們研發生產的超聲波風速風向儀、五要素微氣象儀、六要素微氣象儀和小型自動氣象站等氣象產品,已廣泛應用到氣象監測、城市環境監測、風力發電、航海船舶、航空機場、橋梁隧道等領域,客戶遍布全國各地,并取得了良好的社會效益和經濟效益。
WX-Y6S型六要素微氣象儀原理為發射連續變頻超聲波信號,通過測量相對相位來檢測風速風向。與傳統的超聲波風速風向儀相比,我司產品克服了對高精度計時器的需求,避免了因傳感器啟動延時、解調電路延時、溫度變化而造成的測量不準問題。
WX-Y6S型六要素微氣象儀創新性地將氣象標準六參數(環境溫度、相對濕度、風速、風向、大氣壓力、壓電雨量)通過一個高集成度結構來實現,可實現戶外氣象參數24小時連續在線監測,通過數字量通訊接口將六項參數一次性輸出給用戶。
二、不銹鋼氣象儀產品特點
1、頂蓋隱藏式超聲波探頭,避免雨雪堆積的干擾,避免自然風遮擋(北京氣象局校準證書)☆
2、原理為發射連續變頻超聲波信號,通過測量相對相位來檢測風速風向(北京氣象局校準證書)☆
3、風速、風向、溫度、濕度、大氣壓力、壓電雨量六要素一體式☆
4、采用先進的傳感技術,實時測量,無啟動風速☆
5、抗干擾能力強,具有看門狗電路,自動復位功能,保證系統穩定運行
6、高集成度,無移動部件,零磨損
7、免維護,無需現場校準
8、采用不銹鋼材質,強度高、抗氧化、抗腐蝕
9、產品設計輸出信號標配為RS485通訊接口(MODBUS協議);可選配232、USB、以太網接口,支持數據實時讀取☆
10、可選配外置無線傳輸模塊,最小傳輸間隔1分鐘
11、可選配內置加熱模塊:加熱電流1A(DC12V),加熱功耗12-15W
12、一體式設計磨損小、使用壽命長、響應速度快
三、不銹鋼氣象儀技術參數
1、風速:0~60m/s(±0.1m/s);(北京市氣象校準證書)
2、風向:0~360°(±2°);(北京市氣象校準證書)
3、空氣溫度:-40-60℃(±0.3℃);(北京市氣象局校準證書)
4、空氣濕度:0-100%RH(±3%RH);(北京市氣象局校準證書)
5、大氣壓力:300-1100hpa(±0.25%);(北京市氣象局校準證書)
6、壓電雨量:0-4mm/min(±4%)
7、功率:1.08W
8、生產企業具有ISO質量管理體系、環境管理體系、職業健康管理體系認證☆
9、生產企業具有專利證書和計算機軟件注冊證書☆
10、生產企業為3A級信用企業☆
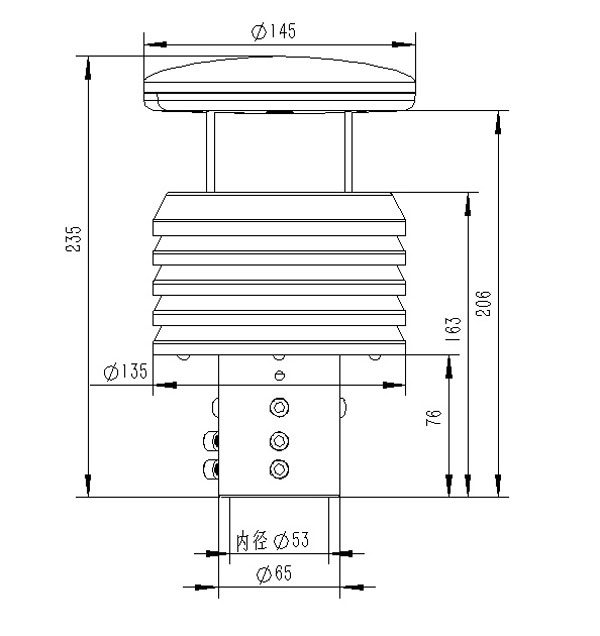
四、產品尺寸圖

五、產品結構圖

六、注意事項
1.傳感器水平周圍1米半徑無遮擋,避免水滴飛濺影響
2.傳感器安裝位置應避開強機械振動源
3.傳感器安裝上方應為開闊區域,雨滴應直接滴落至傳感器,應免二次滴落和連續水流沖擊
WX-YJ1遙測雨量計是一種能夠遠程自動測量并記錄降雨量的高精度儀器。它利用現代傳感技術和無線通信技術,將監測區域的降雨量數據實時傳輸至數據中心,為地質災害預警系統提供寶貴的第一手資料。相比傳統的人工觀測,遙測雨量計不僅大大提高了數據收集的效率與準確性,還實現了監測的連續性和自動化,真正做到了“風雨無阻,數據不間斷”。···
高精度與穩定性是WX-LS5+水文雷達測速儀的一大亮點,得益于先進的信號處理技術和精確的算法模型,該設備能夠實現對水體流速的高精度測量,誤差率低至厘米級甚至毫米級。這種高精度測量不僅為水資源管理中的流量計算提供了可靠的數據基礎,還為水利工程設計與運行中的水流分析等提供了科學依據。同時,水文雷達測速儀在長期運行過程中表現出極強的穩定性,即使在復雜惡劣的環境中也能持續正常工作···
WX-BGF11光伏檢測氣象站是一種專門用于監測光伏電站運行環境的氣象設備。它能夠實時采集溫度、濕度、風速、風向、輻照度等多項氣象數據,為光伏電站的運行提供精準的環境參數。這些數據不僅有助于分析電站的運行狀態,還能為優化電站設計、提高發電效率提供有力支持。那么,光伏檢測氣象站究竟是如何提升光伏發電效率的呢?通過實時監測輻照度數據,我們可以準確了解太陽光的強度和分布,從而調整光伏板的角度和位置···
WX-PQX9觀測自動應急氣象站,作為現代氣象觀測體系中的重要一環,集成了高精度傳感器、智能數據處理系統以及遠程通信技術,能夠全天候、不間斷地監測風速、風向、溫度、濕度、氣壓、光學雨量、總輻射、pm2.5、pm10等多種氣象要素。更重要的是,它具備快速響應和自動報警功能,一旦監測到可能引發災害的天氣變化,立即通過無線網絡向相關部門和公眾發出預警信息,為防災減災爭取寶貴時間。···
WX-GTS6六層管式土壤墑情監測站通過在不同深度的土壤中設置傳感器,能夠實時監測土壤的溫度、水分、電導率等多個關鍵指標。這種多層次、全方位的監測方式,使得數據更加全面、立體,為農業管理者提供了更為精準的土壤信息。相較于傳統的人工監測方法,六層管式土壤墑情監測站不僅提高了監測效率,還確保了數據的準確性和實時性。···
WX-NQ14高標準農田氣象監測系統的貢獻首先體現在精準灌溉管理上。通過實時監測土壤濕度和氣象數據,該系統能夠幫助農民確定最佳的灌溉時機和水量。這一功能對于提高水資源利用效率至關重要。在傳統灌溉方式中,農民往往憑借經驗或感覺進行灌溉,這不僅容易導致水資源浪費,還可能因灌溉不足或過度而影響作物生長。···