聯系人:王經理
銷售電話:15610293837
銷售QQ:2962700085
公司地址:山東省濰坊高新區新城街道玉清社區光電路155號濰坊高新區光電產業加速器(一期)1號樓301

PRODUCT CENTER
聯系人:王經理
銷售電話:15610293837
銷售QQ:2962700085
公司地址:山東省濰坊高新區新城街道玉清社區光電路155號濰坊高新區光電產業加速器(一期)1號樓301
二要素車載氣象站又稱車載氣象站,小型車載式氣象站,二要素車載氣象站采用精密的傳感器和測量技術,能夠提供準確的氣象數據,廣泛應用于交通管理、氣象預警、野外探險等領域。
一、二要素車載氣象站產品簡介
車載氣象站采用精密的傳感器和測量技術,能夠提供準確的氣象數據,車載氣象站廣泛應用于交通管理、氣象預警、野外探險等領域。它可以幫助交通管理部門了解道路上的氣象條件,及時采取相應的措施; 對氣象預警部門來說,車載氣象站可以提供準確的氣象觀測數據,幫助預測和預警惡劣天氣;在野外探險中,車載氣象站可以提供實時的氣象信息,確保安全和順利完成任務。
WX-CZ2車載氣象站是一款高度集成、低功耗、可快速安裝、便于移動監測的高精度自動氣象觀測設備。
廣泛運用于氣象、農林、環保、海洋、機場、港口、科學考察、校園教育等領域。
該設備采用二要素一體式傳感器,可對風速、風向進行實時觀測,傳感器外殼采用進口ABS材質,更有效對抗鹽霧等環境,防護等級達到IP65以上。
標配485轉USB(有線連電腦)、藍牙(無線連安卓手機),可毫秒級采集。選配網卡傳輸,傳輸間隔最低1min。
二、產品特點
1、頂蓋隱藏式超聲波探頭,避免雨雪堆積的干擾,避免自然風遮擋
2、原理為發射連續變頻超聲波信號,通過測量相對相位來檢測風速
3、設備底部配備高強度磁鐵(橡膠包裹),可無損吸附于車頂。
4、減震防護拉桿箱,方便攜帶
5、內置電子羅盤,自動找北
6、北斗與GPS雙模定位,最高精度0.1米
三、技術參數
1、風速:超聲波原理,0~60m/s(±0.1m/s),可測真實風速
2、風向:超聲波原理,0~360°(±2°)
3、數據存儲:不少于50萬條;
4、功耗:1.75W
5、鋰電池:容量12000maH,續航時間≥50h
6、總重量:≤5kg;
7、布設時間:1人,不大于2分鐘完成布設;
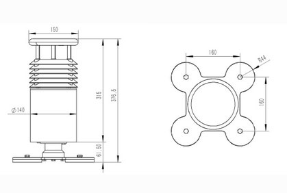
四、尺寸圖

五、上位機軟件介紹
1、PC單機版數據接收、存儲、查看、分析軟件
2、支持串口數據接收、處理、展示
3、支持json字符串、modbus485等通信方式
4、可自設置存儲時間,modbus485采集模式下可自設置采集時間
5、支持自助增加、刪除、修改監測參數的協議、名稱、圖標等
6、支持數據后處理功能
7、支持外置運行javascript腳本
六、安卓APP介紹
1、安卓單機版數據接收、存儲、查看、分析軟件
2、支持藍牙數據接收
3、手機休眠后軟件后臺接收、處理
4、json數據自動添加設備,modbus設備支持掃碼添加設備
5、支持歷史數據查看、分析、導出表格,支持曲線展示、單數據點查看。
6、支持數據后處理功能
7、支持外置運行javascript腳本
七、云平臺介紹 (選配)
1、CS架構軟件平臺,支持手機、PC瀏覽器直接觀測、無需額外安裝軟件。
2、支持多帳號、多設備登錄
3、支持實時數據展示與歷史數據展示儀表板
4、云服務器、云數據存儲,穩定可靠,易于擴展,負載均衡。
5、支持短信報警及閾值設置
6、支持地圖顯示、查看設備信息。
7、支持數據曲線分析
8、支持數據導出表格形式
9、支持數據轉發,HJ-212協議,TCP轉發,http協議等。
10、支持數據后處理功能
11、支持外置運行javascript腳本
WX-TS600探針式土壤墑情監測站采用先進的傳感器技術,能夠實現對土壤水分的高精度測量。這種高精度測量對于了解土壤水分的真實狀況至關重要。通過準確測量土壤水分含量,可以為農業生產提供科學的灌溉指導,避免過度灌溉或灌溉不足導致的作物生長問題。除了高精度測量外,探針式土壤墑情監測站還具備實時監測的能力。···
在高等學府,WX-CQ11校園氣象檢測站不僅是學生氣象學、環境科學等學科的實踐基地,更是科研創新的孵化器。通過高精度傳感器實時采集溫度、濕度、風速、風向、氣壓及降水量等氣象數據,不僅為學術研究提供了寶貴的第一手資料,還助力教師將抽象的氣象理論轉化為生動的教學案例,激發學生的學習興趣和探索欲。···
WX-SQ6B手持氣象站是一種小型的氣象站,因為現代氣象學已經發展到了一個非常高的水平,技術手段也非常先進,所以這款設備通過觀測大氣環境、計算天氣變化和分析趨勢,能夠提供比較精確的天氣預報。在農業、交通、航空等領域都在發光發熱,它的技術和精度可以更好地服務社會各個行業和人民群眾。···
WX-WQX2A2二維超聲波風速風向儀主要用于測量水平風速和水平風向,適用于一般的氣象觀測需求。獨特的結構設計,大大減小了風阻的影響,提升了測量的精度,使用四個超聲波探頭,在二維平面內循環發送和接收超聲波,通過超聲波在空氣中傳播的時差來測量風速和風向,能夠在高海拔極端嚴寒、冰凍天氣下也能正常工作···
在海洋工程、水產養殖、水利工程乃至戶外探險等多個領域,水深測量是一項基礎而關鍵的任務。傳統測量方法往往費時費力,且精度難以保證。而手持式WX-CS80超聲波測深儀的問世,徹底顛覆了這一現狀。它利用超聲波原理,通過發射超聲波并接收其回波信號的時間差,快速計算出水體的深度,精度高達厘米級,讓測量變得前所未有的簡單與準確。···
WX-NQ12太陽能智能農業氣象站主要由太陽能板、控制器、傳感器、數據采集模塊、通信模塊和數據處理中心等組成。太陽能板負責將太陽能轉化為電能,為整個系統提供動力;控制器則負責控制各個組件的協同工作,確保系統的穩定運行;傳感器用于實時監測農田環境中的氣象參數;數據采集模塊負責收集傳感器采集的數據,并將其轉換為數字信號進行傳輸···